Хозяйственная деятельность промышленного предприятия тесно связана с мероприятиями по предупреждению негативного влияния на экологию. В рамках обязательных мер – контроль выбросов загрязняющих веществ с организацией площадки, места отбора проб согласно экологическим нормам. Соответствующие требования указаны в ЭкоНиП 17.01.06-001-2017 – техническом нормативно-правовом акте (ТНПА), обязательном к исполнению в РБ. Действующая редакция утверждена 21.11.2022 г., вступила в силу с 01.03.2023 г.

Содержание

Нормативный документ направлен на обеспечение экологической безопасности в процессе природопользования и воздействия на окружающую среду. Среди рассматриваемых объектов – место отбора проб промышленных выбросов, пробная площадка для локального мониторинга грунтов. Вместе с тем требования к месту отбора проб воздуха рабочей зоны этот ТНПА не устанавливает. Нормы в производственных помещениях регламентирует СанПиН, утвержденный постановлением Минздрава РБ № 72 от 11.11.2017 г.

Место отбора проб – правила организации

Согласно ЭкоНиП, оборудование мест отбора проб нужно производить на стационарных, организованных источниках выбросов. К таковым относятся газоход и дымовая труба. В ТНПА перечислены случаи, когда мероприятия по отбору проб являются обязательными. Например, если источник выбросов оборудован газоочистной установкой или при суммарной мощности котлоагрегатов более 100 кВт.

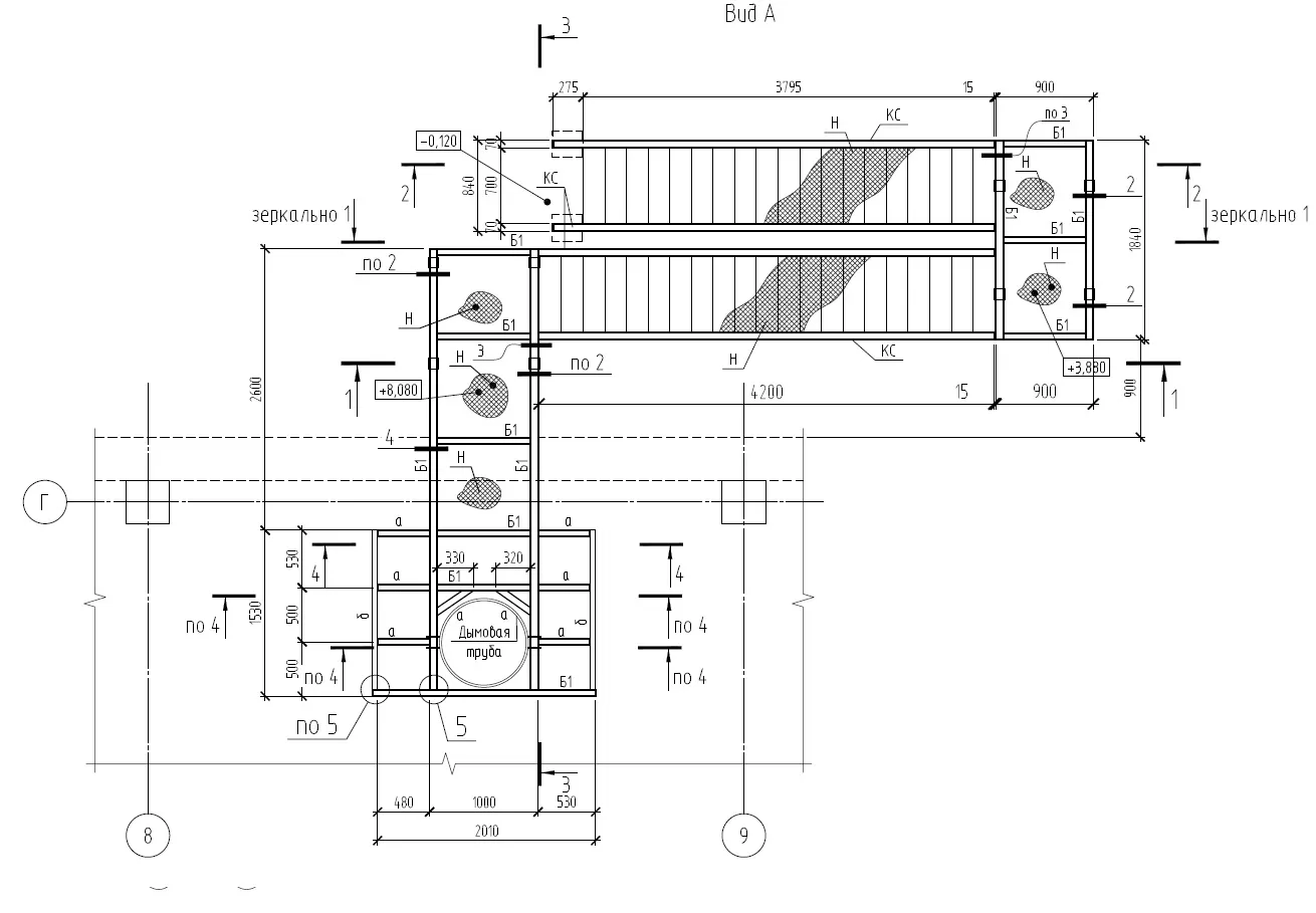
Оборудование мест отбора проб промышленных выбросов – комплексный процесс, который предусматривает:

  • выбор измерительного участка – части газохода, на котором производятся измерения и отбираются пробы;
  • выполнение измерительного порта – отверстия/отверстий для забора проб в стенке трубы/газохода с размерами, соответствующими нормативам;
  • устройство рабочей площадки – установленной капитально металлоконструкции, выполненной индивидуально с учетом расположения места отбора проб;
  • организацию путей перемещения – лифтов, лестниц.

Таким образом, совокупность технического и конструктивного оборудования – это то, что и является местом отбора пробы согласно стандарту.

Помимо требований к месту отбора проб, нормы определяют условия его обустройства в зависимости от объекта. Так, на реконструируемых, модернизируемых или ремонтируемых предприятиях соответствующие мероприятия необходимо завершить до начала эксплуатации. На действующих объектах место отбора проб воздуха с газами организуют до проведения инвентаризации выбросов. Но только при отсутствии внушительных финансовых и трудовых затрат.

Правильный выбор места отбора проб – одно из определяющих факторов, влияющих на достоверность анализа. Главное правило – пробы должны забираться на прямолинейном трубопроводе, где нет турбулентности газов и обратных потоков. При наличии нескольких подходящих вариантов, предпочтение нужно отдавать вертикальному расположению. Эти меры позволят соблюсти требования к методике и месту отбора проб воздуха, контролируя показатели в условиях однородного газового потока.

Количество и размещение портов для забора проб зависит от формы и размеров газохода. На круглом диаметром до 0,35 м (включительно) точки располагают в одну линию. При больших сечениях – в две взаимно перпендикулярные, лежащие в одной плоскости. В случае прямоугольного трубопровода порты устраивают на длинной стороне. Все отверстия в месте отбора проб выбросов герметично закрывают крышками либо заглушками. В непосредственной близости размещают соответствующий информационный знак.

Оборудование мест отбора проб выбросов – устройство рабочей площадки

Рабочая площадка – стационарная конструкция для доступа к участку забора проб. Она также должна отвечать требованиям ЭкоНиП. Согласно определению, площадка представляет собой ровную поверхность с ограждением. Ее габариты и конфигурация должны соответствовать расположению и характеристикам места отбора проб.

Установка конструкции для размещения оборудования и специалистов, отбирающих пробы, не всегда обязательна. Площадку устраивают при расположении точек контроля на высоте от 1,3 м. Если пробы берутся на более чем 5-метровом уровне от земли, для ограждения используют бортовые листы. Это обеспечивает безопасность при нахождении на площадке людей. Лестницу к месту отбора проб выполняют с перилами и уклоном лестничного марша до 60°.

Размеры площадки для отбора проб задают с учетом нахождения минимум 3–4 человек и оборудования. Несущая способность металлоконструкции – от 300 кг. Свободная площадь должна быть достаточной, чтобы работать с пробоотборными зондами и устройствами для измерений. Ширину площадки рассчитывают, суммируя 1,5 м с размером наружного диаметра газохода/трубы. Это обеспечивает удобное подключение технических средств.

При организации места отбора проб воздуха с газами в качестве рабочей площадки может использоваться крыша. Единственное условие – ее соответствие нормативу, предъявляемому к подобным поверхностям. Если установить стационарную конструкцию невозможно, можно применять передвижные подъемные платформы. Такая установка допустима при условии ее транспортировки в течение получаса. Все это следует учитывать во время планирования места отбора проб промышленных выбросов.

Схемы расположения конструкций для организации рабочего пространства приведены в ЭкоНиП, приложение 8. В документе рассмотрены случаи при размещении точек забора проб:

  • по длинной стороне вертикального прямоугольного трубопровода;
  • на горизонтальном участке с прямоугольным сечением газохода;
  • по окружности круглой вертикальной трубы;
  • на горизонтальном участке газохода круглого сечения.

Приведенные примеры – только малая часть из всего множества вариантов при организации места отбора проб выбросов. Каждая конструкция индивидуальна и требует отдельного проектирования. Важно обеспечить ее функциональность, прочность и безопасность.

Заказать стальную площадку для оборудования места отбора проб можно в нашей компании. Разработаем, изготовим и установим металлоконструкцию в соответствии с экологическими требованиями.

Чтобы отправить заявку, воспользуйтесь формой внизу страницы.

Также для ознакомления:

ЭкоНиП 17.01.06-001-2017 в редакции, действующей с 01.03.2023 г

Заказ детальных чертежей

Вы получите чертежи в течение нескольких минут на указанный адрес электронной почты – проверьте правильность введенных данных.
Если есть вопросы – звоните нам: +375 44 78 1 78 49

ПРИМЕЧАНИЕ. 

Чертежи не отражают всю техническую документацию и представлены только в иллюстративных целях. Предоставленные чертежи не могут быть основанием для индивидуального проекта, они защищены авторским правом.